发布时间:2023-09-21
来源:188宝金博页面版
污水提升泵站是什么:
污水提升泵站是用于处理城市或工业区域内的废水和污水的关键基础设施。其主要任务是将低地势区域中产生的污水抽送到高地势区域的污水处理厂,以防止污水倒流或溢出,确保卫生和环境保护。
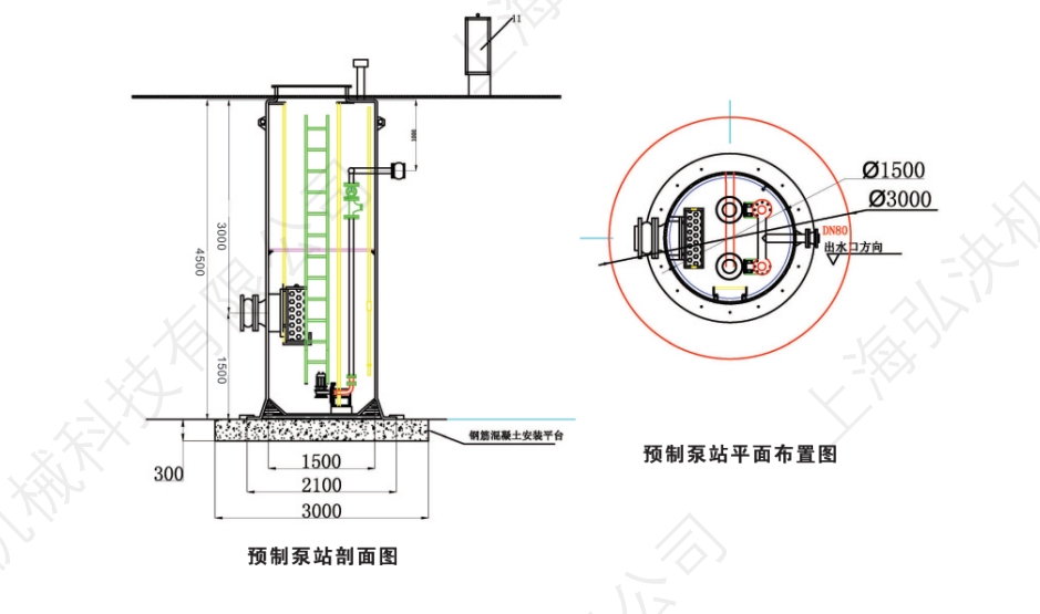
污水提升泵站内部/外部结构图
污水提升泵站结构:
污水提升泵站的结构主要包括以下组成部分:
泵室:泵室是泵站的主要容器,通常由混凝土制成,用于容纳泵、管道和相关设备。它具有防水设计,以防止泄漏。
泵:污水提升泵站配备了污水泵,通常是离心泵或切割泵,用于将污水抽送到高地势区域。泵的类型和数量取决于需要处理的流量和扬程。
管道系统:管道系统用于将污水从低地势区域输送到高地势区域的污水处理设施。这些管道通常具有阀门和控制设备,以控制流量和方向。
控制系统:污水提升泵站配备了自动控制系统,用于监测和控制泵的启停、调速和维护。这确保了系统的可靠性和效率。
电气系统:电气系统包括电缆、电线、电动机和控制面板,用于供电和控制泵站的各个部分。
污水提升泵站设备工程图
污水提升泵站运行原理:
污水提升泵站的运行原理包括以下步骤:
污水进入泵室:污水从低地势区域通过管道进入泵室。
泵的运行:污水泵开始运行,通过吸力将污水抽取到泵内。
抽送污水:泵将污水推送到高地势区域的管道系统中,以便进一步处理。
控制和监测:自动控制系统监测污水流量和水位,并根据需要控制泵的运行,以确保系统按照预定要求工作。
污水处理:高地势区域的管道将污水输送到污水处理设施,进行进一步的净化和处理。
污水提升泵站特点:
污水处理关键环节:污水提升泵站在城市和工业区域中是不可或缺的,它确保了废水能够安全、高效地进入处理系统。
环保:现代污水提升泵站通常设计为环保型,具备节能和废水净化功能,有助于减少对环境的不良影响。
自动化和远程监控:污水提升泵站配备了自动控制系统,可以实现远程监控和操作,提高了运行的可靠性和效率。
适用性广泛:适用于城市排水系统、污水处理厂、工业废水处理等各种应用场景。
长期可维护性:设计考虑到长期运行,易于维护和保养。
污水提升泵站定制流程:
需求分析:与客户合作,明确项目需求,包括流量、扬程、处理能力等要求。
设计和工程:工程师设计泵站,包括选择合适的泵、管道布局、控制系统和电气设备。
制造和装配:泵站的组件在工厂内制造和装配,进行质量控制和测试。
运输和安装:将预制泵站组件运输到工程现场,并进行安装。
测试和调试:对泵站进行测试和调试,确保其正常运行。
培训和交付:向客户提供培训,交付泵站,并开始正式运行。
维护和支持:提供长期维护和支持,以确保泵站的可靠性和性能。
以上是一般性的污水提升泵站定制流程,具体步骤可能会根据项目的规模和复杂性而有所不同。

备注:以上部分图片来自网络,如若侵犯到您的版权信息,请联系我们,我们将在收到您信息的1个工作日内删除。
本文标题:污水提升泵站相关知识
责任编辑:弘泱机械科技编辑部
本文链接://m.sagasuzo.com/xwzx/hydt/6897.html 转载请注明出处