发布时间:2023-10-30
来源:188宝金博页面版
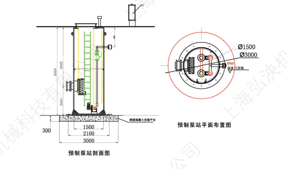
排渍泵站通常用于处理污水和废水中的沉淀物和固体颗粒,可以有效防止这些杂质对排放环境或污水处理过程造成不良影响。排渍泵站的主要功能是将废水中的固体颗粒分离、提取和处理,下面是排渍泵站的作用原理。
沉淀:在排渍泵站中,废水首先通过一个沉淀池或沉淀区域,其中液体中的固体颗粒被允许沉淀到底部。这可以通过静置、减速流动或加入化学物质来促进。
提取:一旦固体颗粒沉淀到底部,排渍泵会将清水或上清液从上面提取出来。这样,废水中的大部分固体颗粒被分离出来,留下较为清净的水。
处理:沉淀下来的固体颗粒通常需要进一步处理或处置。这可以包括固体废物处理、污泥处理、废弃物处置或回收等方法,具体处理方法取决于固体废物的性质和当地法规。

排渍泵站通常包括泵、沉淀池、控制系统和处理设备,以确保有效地从废水中去除固体颗粒。这些泵站可以在污水处理厂、工业设施、农业和其他应用中使用,以确保废水排放符合环保法规和标准,同时减少对环境的不良影响。
本文标题:什么是排渍泵站,排渍泵站的作用原理
责任编辑:弘泱机械科技编辑部
本文链接://m.sagasuzo.com/xwzx/hydt/6986.html 转载请注明出处